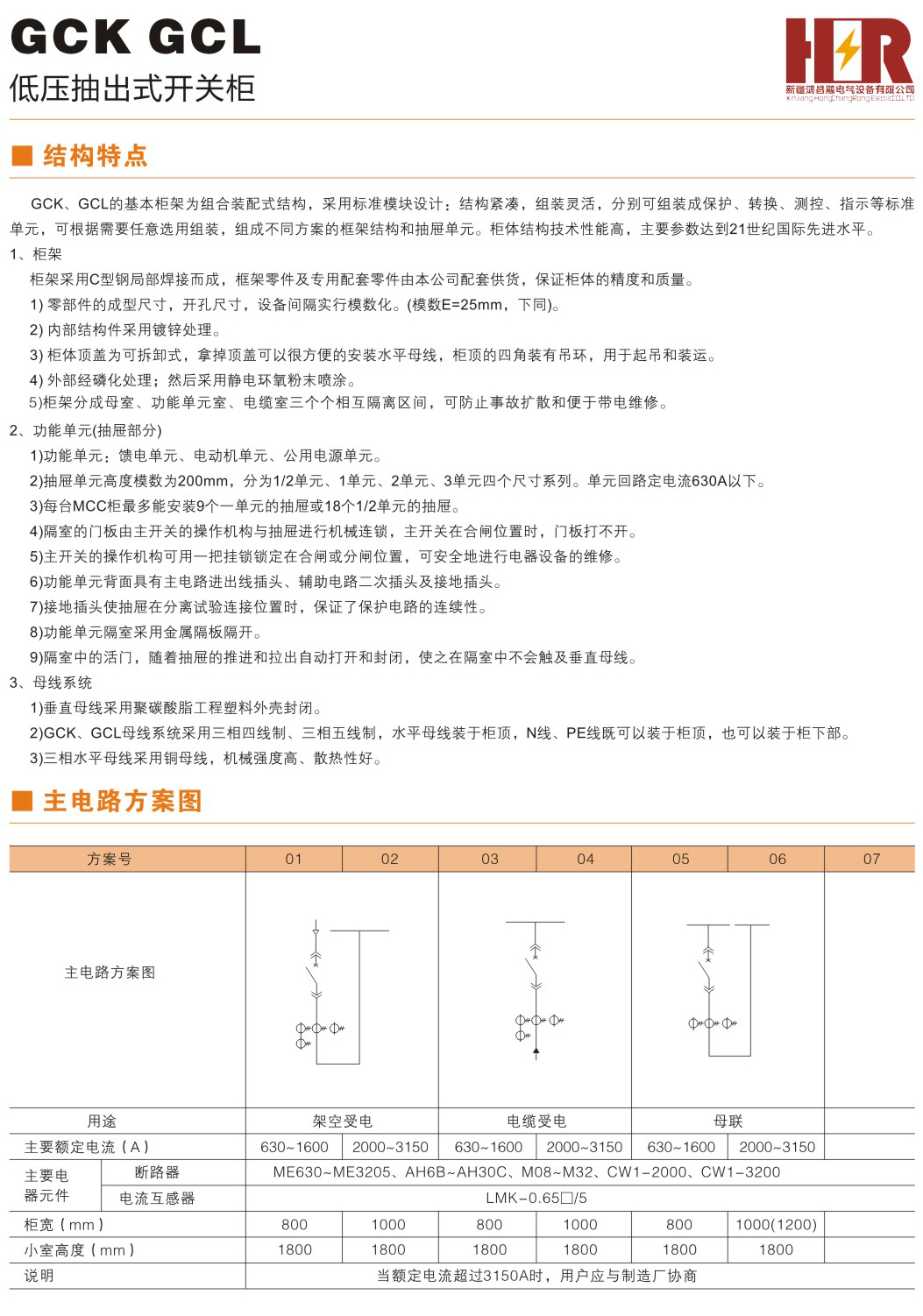
GCKGCL低压抽出式开关柜

458

GCK低压抽出式开关柜(以下简称开关柜)是我公司消化吸收国际同类先进技术而开发的新产品。本产品适用于额定工作电压 380V,交流三相四线、三相五线系统,作为电力系统的发电厂、变电站、工矿企业和高层建筑中受电、馈电、无功功率补偿、电能 计量、照明及电动机集中控制之用。 本产品符合标准:GB7251.1《低压成套开关设备和控制设备》、JB/T9661《低压抽出式开关设备》、IEC60439-1《低压成套开 关设备和控制设备》。


联系我们